코드네임 :
🖥️ 컴퓨터구조 - pipelining hazard 중 Forwarding 조건 & 동적 branch 예측 본문
⚙️Computer System/컴퓨터구조
🖥️ 컴퓨터구조 - pipelining hazard 중 Forwarding 조건 & 동적 branch 예측
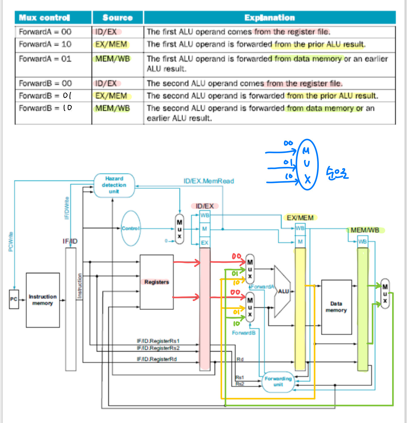
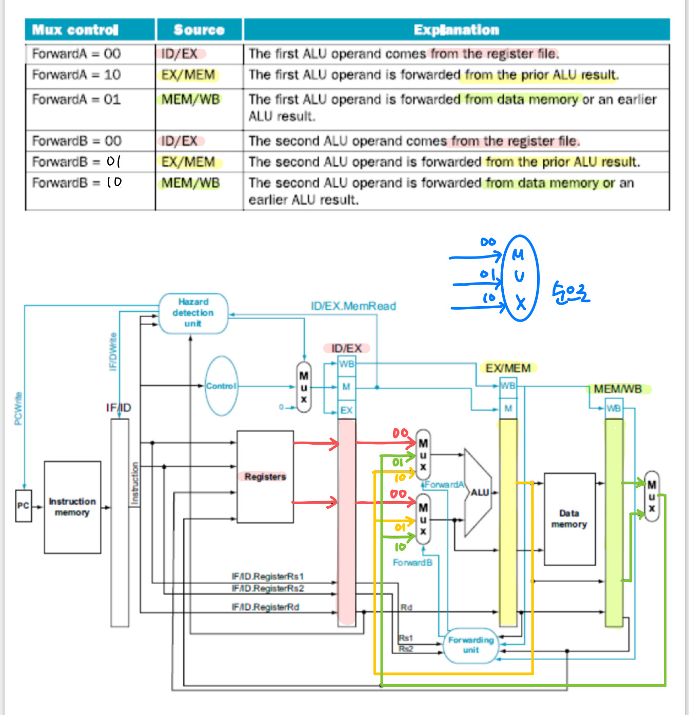
비엔 Vien 2024. 5. 11. 23:04야 이거 틀림!!!!!



제어(control) 해저드 해법 중 동적 branch 예측



'⚙️Computer System > 컴퓨터구조' 카테고리의 다른 글
| 🖥️ 컴퓨터구조 - Matrix Multiplication & Virtual Memory(TLB) (0) | 2024.05.27 |
|---|---|
| 🖥️ 컴퓨터구조 - Memory! (0) | 2024.05.23 |
| 🖥️ 컴퓨터구조 - pipelined processor - 구조적 해결ㅊ책 이거 맞음? (0) | 2024.05.11 |
| 🖥️컴퓨터구조 - simple processor (0) | 2024.04.30 |
| 🖥️컴퓨터구조 과제3 📚 (0) | 2024.04.30 |